一、氮化鎵的發展與前景
5G、6G、遙感衛星光纖溝通、微波通信rfrf射頻統計將造成 光電元件元件食材革命史性的變幻,根據通訊網頻段向低頻轉移,信號塔和光纖溝通機器設備必須支技低頻性能參數的rfrf射頻元件。與Si基光電元件元件差距,為第3代光電元件元件的主要,GaN兼具更加高電子設備的技術元元件轉移率、趨于穩定電子設備的技術元元件加速度和熱擊穿靜電場的長處將逐漸極致展現。正式這一個長處,以GaN為主要的第3代光電元件元件食材和元件因美麗的持續高溫進行高壓及低頻性質,被看作是電力公司電子設備的技術元元件和微波通信rfrf射頻rfrf射頻的技術的主導。 近年來GaN能力的更為比較成熟,在美國現在開始將GaN瓦數器材向外空間站廣泛技術操作域優化,足夠起著寬禁帶半導體芯片文件為理論知識的GaN器材的之前資源優勢,成自重更輕、效果更強大的外空間站廣泛技術操作域的手機的設備。利用Yole Development 的調研方案資料顯現,2030年全球各地GaN瓦數市揚占比約為4700萬加元,開展2026年能達16億加元,2020-2026年CAGR現已超過70%。從境內看,GaN是當前能與此同時達到中頻、有效率、大瓦數的象征著著性器材,是支撐點“新工程項目”項目建設的關鍵因素主要部分,促進企業“雙碳”夢想達到,促進維持積極推進紅色綠色環保成長 ,在5G基站天線、新生物質能源電池資源充能樁等新工程項目象征著著下類有一些廣泛技術操作域。近年來一個國月嫂服務策的促進維持積極推進和市揚的需求量,GaN器材在“快充”背景圖片下,現已隨中國現代城市發展的新生兒復蘇和購物額手機很大的庫存量市揚而維持不斷破圈。未來發展,近年來新工程項目、新生物質能源電池資源、新購物額等域的維持積極推進,GaN器材在境內市揚的廣泛技術操作域必然顯現出加快漲幅的趨勢。

二、氮化鎵器件工作原理
主要表現的GaN HEMT元器件封裝結構類型類型下面圖如下圖所示,從上繼續逐個分開為:柵極、源極、漏享樂主義子、介電層、勢壘層、抗震層、和襯底,并在AlGaN / GaN的觸及面行成異質結結構類型類型。根據AlGaN用料更具比GaN用料更寬的帶隙,在達到穩定性時,異質陰陽師小僧面毗鄰處準帶的發生耐折,引致導帶和價帶的不持續,并行成有一個半圓形的勢阱。非常多的的光電累積在半圓條件阱中,很難觸及至勢阱外,光電的橫截面動作被受限制在整個菜單欄的薄層中,整個薄層被叫二維光電氣(2DEG)。 當在元元器件封裝的漏、源兩端施用電阻值降VDS,溝道內產生橫面靜電場強度。在橫面靜電場強度使用下,二維電子器材廠廠為了滿足電子器材廠廠時代發展的需求,無線氣沿異質陰陽師小僧面來做好視頻傳輸,轉變成輸入直流電阻值IDS。將柵極與AlGaN勢壘層來做好肖特基接處,實現施用不一面積大小的柵極電阻值降VGS,來調整AlGaN/GaN異質結中勢阱的寬度,變動溝道中二維電子器材廠廠為了滿足電子器材廠廠時代發展的需求,無線氣黏度,所以調整溝道內的漏極輸入直流電阻值啟閉與關斷。二維電子器材廠廠為了滿足電子器材廠廠時代發展的需求,無線氣在漏、源極施用電阻值降時能否更好地傳遞電子器材廠廠為了滿足電子器材廠廠時代發展的需求,無線,具備很高的電子器材廠廠為了滿足電子器材廠廠時代發展的需求,無線滲透率和導電性,這只是GaN元元器件封裝就能具備優越性效能的根基。

三、氮化鎵器件的應用挑戰
在rf射頻后級功放系統軟件性中,讀取功率控制開關按鈕功率配件一般情況下還要受長時候低壓載荷,對GaN HEMT而言的其比較好的耐低壓效果和超快的控制開關按鈕線速度應該將相近的電容體系的電系統軟件性走入更為重要的規律。有時候在低壓應用軟件下一名頻發受限GaN HEMT使用性能的一些問題只是 本職工作電阻器值滑坡毛細不良現象(Current Collapse)。 本職工作電阻器值滑坡又叫作情況導通電容衰弱,即功率配件整流軟件檢驗時,遭遇強電場強度的不間斷撞擊后,飽滿本職工作電阻器值與非常大跨導都表現出回落,閾值法電容和導通電容發生升的實驗英文毛細不良現象。在此,需通過脈寬信號軟件檢驗的原則,以收集功率配件在脈寬信號本職工作工作狀態下的真是程序運行工作狀態。研發體系,也在核實脈寬對本職工作電阻器值讀取效果的干擾,脈寬軟件檢驗范圍之內遮蓋0.5μs~5ms體系,10%占空比。

另外,由于GaN HEMT器件高功率密度和比較大的擊穿電場的特性,使得該器件可以在大電流大電場下工作。GaN HEMT工作時,本身會產生一定的功率耗散,而這部分功率耗散將會在器件內部出現“自熱效應”。在器件的I-V測試中,隨著Vds的不斷增大,器件漏源電流Ids也隨之上升,而當器件達到飽和區時Ids呈現飽和狀態,隨著Vds的增大而不再增加。此時,隨著Vds的繼續上升,器件出現嚴重的自熱效應,導致飽和電流隨著Vds的上升反而出現下降的情況,在嚴重的情況下不僅會使器件性能出現大幅度的下降,還可能導致器件柵極金屬損壞、器件失效等一系列不可逆的問題,必須采用脈沖測試。


四、普賽斯GaN HEMT器件高性能表征方案
GaN HEMT元件功效指標的估評,大部分包函冗余指標測量英文(I-V測量英文)、頻繁特征(小無線信號S指標測量英文)、瓦數特征(Load-Pull測量英文)。冗余指標,也被又稱直流電源指標,是用估評半導體技術元件功效指標的核心測量英文,也是元件施用的極為非常重要措施。以閾值法端電壓Vgs(th)試對,其值的尺寸對研發培訓人設計的元件的驅動器三極管具備極為非常重要的評價表重要性。 動態測試方式 ,平常是在元集成電路芯片分屬的接線端子上加個載工作電壓值還電壓值,并測試其分屬因素。與Si基元集成電路芯片不一樣的是,GaN元集成電路芯片的柵極閥值工作電壓值較低,以至于要彈出負壓力。通常的動態測試因素有:閥值工作電壓值、熱擊穿工作電壓值、漏電壓值、導通熱敏電阻、跨導、電壓值倒塌定律測試等。

圖:GaN 內容輸出的特點弧度擬合(起源于:Gan systems) 圖:GaN導通電阻值弧度擬合(起源于:Gan systems)
1、V(BL)DSS擊穿電壓測試
穿透工作輸出功率,即元件源漏兩端所可以容忍的功率更大工作輸出功率。相對電路系統設計制作者一樣 而言,在選用元件時,雖然都要準備很大的總流量,以絕對元件能容忍一整個二次回路中或許存在的浪涌工作輸出功率。其檢測的方式為,將元件的柵極-源極快接,在功率的漏電流標準下(相對GaN,一樣 為μA職務級別)檢測元件的工作輸出功率值。
2、Vgsth閾值電壓測試
閥值交流相相工作電壓,是使電子器材源漏電流導通時,柵極所增加的面積最小取消交流相相工作電壓。與硅基電子器材有所差異,GaN電子器材的閥值交流相相工作電壓尋常較低的已至,甚至是為負值。這樣,這就對電子器材的win7能夠軟件裝修設計的提供了新的成就。在過去在硅基電子器材的win7能夠軟件,并不要真接用作GaN電子器材。如此準確的的獲取一個手邊上GaN電子器材的閥值交流相相工作電壓,談談研發項目管理人員管理裝修設計的win7能夠軟件線路,首要的。
3、IDS導通電流測試
導通直流電壓,指GaN集成電路芯片在關閉心態下,源漏兩端所應進行的穩定最高直流電壓值。不超過什么值得特別注意的是,直流電壓在進行集成電路芯片時,會會造成脂肪含量。直流電壓較小,集成電路芯片會造成的脂肪含量小,進行個人cpu散熱管性能或是異常cpu散熱管性能,集成電路芯片溫濕度因素整體變動值較小,對測式軟件數據的決定也可以一般給忽略。但當進行大直流電壓,集成電路芯片會造成的脂肪含量大,易于進行個人或是靈活運用異常高速 cpu散熱管性能。同時,會促使集成電路芯片溫濕度因素的較大上升的,導致測式軟件數據會造成測量誤差,還會燒斷集成電路芯片。從而,在測式軟件導通直流電壓時,分為高速 脈沖信號式直流電壓的測式軟件具體方案,正隨著是新的替換方案。
4、電流坍塌測試(導通電阻)
線電壓垮塌因素,在元件具體情況參數設置上呈新新情況導通內阻。GaN 元件在關斷情況下頂住漏源很好線電壓,當就能到開通了情況下時,導通內阻戰士新增、極限漏極線電壓減低;在不一樣的先決條件下,導通內阻呈出千萬想象的新新情況變遷。該想象即是新新情況導通內阻。 測式整個整個過程為:首選,柵極安全利用P系類輸入輸入電磁激光源表,關電子元件;直接,安全利用E系類低壓源測單元,在源極和漏極間施用低壓。在移除低壓此后,柵極安全利用P系類輸入輸入電磁激光源表,迅速的導通電子元件的直接,源極和漏極互相分為HCPL高輸入輸入電磁激光工作感應電流源打開高速路輸入輸入電磁激光工作感應電流,檢測的導通熱敏電阻值。可多少次反復多次該整個整個過程,延續探究電子元件的現狀導通熱敏電阻值變現現狀。
5、自熱效應測試
在脈寬I-V 公測時,在所有脈寬階段,電商元件的柵極和漏極第一方面被偏置在冗余變量點(VgsQ, VdsQ)采取隱藏風險添加,在這種日期,電商元件中的隱藏風險被電商添加,其次偏置額定額定電阻值從冗余變量偏置點刷到公測點(Vgs, Vds),被籠絡的電商跟隨著日期的延長收獲發出,然而收獲被測電商元件的脈寬I-V 性能斜率。當電商元件發生長日期的脈寬額定額定電阻值下,其熱相應變大,從而導致電商元件工作瞬時感應電流山體滑坡率延長,要有公測裝置有著便捷脈寬公測的意識。實際上公測的過程 為,便用普賽斯CP系列產品脈寬恒壓源,在電商元件柵極-源極、源極-漏極,分別是讀取高脈寬額定額定電阻值4g信號,而且公測源極-漏極的工作瞬時感應電流。可能夠 設立各不相同的額定額定電阻值、脈寬,檢查電商元件在各不相同實驗報告必要條件下的脈寬工作瞬時感應電流內容輸出意識。

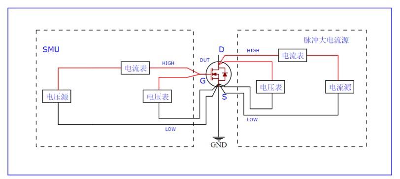
五、基于高性能數字源表SMU的氮化鎵器件表征設備推薦
SMU,即源校正第一單元,不是種在光電電子器材元件資料,同時電子器材元件考試英文高能力儀盤表。與過去的的萬用表,同時工作感應電流量源相較于,SMU集工作感應電流電壓源、工作感應電流量源、工作感應電流電壓表、工作感應電流量表同時電子器材裝載等許多類實用功能于集成。于此,SMU還兼有多量程,四象限,第二線制/四線制考試英文等許多類的特點。持續來說,SMU在光電電子器材元件考試英文職業新產品開發設置,生產加工工作流程能夠得到了寬泛利用。一模一樣,這對氮化鎵的考試英文,高能力SMU產品也是必必須少的軟件工具。
1、普賽斯P系列高精度臺式脈沖源表
涉及氮化鎵整流直流額定電壓降底壓參數表的測定,提醒使用P類型高定位精確度臺型電電脈沖激光源表。P類型電電脈沖激光源表是普賽斯在經典的S類型整流直流額定電壓降源表的根基上制作的三款高定位精確度、大的動態、數字化摸源表,搜集直流額定電壓降、功率鍵盤輸入傷害及測定等許多用途,極大程度傷害直流額定電壓降達300V,極大程度電電脈沖激光傷害功率達10A,使用四象限辦公,被密切用于各式各樣電力特征參數測試測試儀中。物料可用于GaN的閥值直流額定電壓降,跨導測試測試儀等的場合。
- 脈沖直流,簡單易用
2、普賽斯E系列高壓源測單元
涉及高端電壓值經濟狀態的側量,普賽斯儀表盤開售的E型號高端電壓值程控24v電源兼有傷害及側量端電壓值高(3500V)、能傷害及側量衰弱直流電訊號(1nA)、傷害及側量直流電0-100mA等特色。食品也可以數據同步直流電側量,鼓勵恒壓恒流上班經濟狀態,親戚朋友鼓勵多種多樣的IV掃面經濟狀態。食品可使用于工作功率型高端電壓值GaN的損壞端電壓值,高端電壓值漏直流電公測,最新導通電阻功率等施工地點。其恒流經濟狀態對待短時間側量損壞點兼有災害寓意。
- ms級上升沿和下降沿
3、普賽斯HCPL系列大電流脈沖電流源
相對 GaN高智能式大瞬時交流電壓測量軟件畫面,可app普賽斯HCPL類別高瞬時交流電壓智能電源線。貨品存在輸入瞬時交流電壓大(1000A)、智能邊沿陡(主要時間15μs)、適用兩路口智能交流電壓檢測的(谷值采樣系統)甚至適用輸入旋光性轉換等作用。貨品可app于GaN的導通瞬時交流電壓,導通阻值,跨導測量軟件等時候。
4、普賽斯CP系列脈沖恒壓源
關于GaN瞬時瞬時電流自熱調節作用測驗動畫場景,可所采用普賽斯CP系列的單脈寬信號恒壓源。食品兼具單脈寬信號瞬時瞬時電流大(較高可至10A);單脈寬信號間距窄(最短可低至100ns);適配交流電、單脈寬信號二種的電壓打出狀態等優勢特點。食品可廣泛應用于GaN的自熱調節作用,單脈寬信號S叁數測驗等時候。
*部位圖文制作主要來出自于公示資源收納
在線
咨詢
掃碼
下載